- 企業類型:貿易商
- 新舊程度:全新
- 原產地:-
- 工作電壓:DC24V
- 操作速度:0.05~0.5m/s
安全門開關omron型號D4NL-4CFG-B
該產品系列在原有接點結構1NC/1NO和2NC的基礎上,新增了2NC/1NO及3NC接點結構的3接點型。另備有MBB接點型。
可提供適用于監控的醒目指示燈型和適用于旋轉門的可調操作鑰匙型。
開關頭的安裝方向可以變換,可以從四個方向插入操作鑰匙。
輔助輸出可用于輕松指示燈打開的門。
且使用了雙色指示燈,使得安裝調節也非常簡單。
操作速度 0.05~0.5m/s
操作頻率 30次/min
強制斷開力 *4 60N(EN60947-5-1)
強制斷開預行程 *4 10mm(EN60947-5-1)
安全門開關omron型號D4NL-4CFG-B


安全門開關omron型號D4NL-4CFG-B
鎖定時拉拔強度 *5 1300N
接點電阻 25mΩ以下(每個接點)
適用負載 *6 DC5V 1mA電阻負載(N水準參考值)
額定絕緣電壓(Ui) 300V (EN60947-5-1)
安全門開關omron型號D4NL-4CFG-B
額定頻率 50/60Hz
防觸電保護等級 Class Ⅱ (雙重絕緣)
D40A是結合了雙色指示燈、輔助輸出和30個開關連接性能的
非接觸式門開關,可讓您創建更好的安全環境。
D4SL-N備有連接器方式及端子臺方式2種。2種類型的本體及接線均為一觸式拆裝,大幅提高安裝時的可操作性及維護作業效率
帶有一體式門把手的安全門開關可以用作安全防護罩的把手,減少設計防護罩所需的時間。
?帶門把手的觸發器提供互鎖選項,防止操作員被困其中,并提高操作安全性。
輔助釋放鑰匙確保輕松維護,在斷電的情況下能夠將門。
M12連接器型,更加節省勞動力,更換更方便。
適用于標準負載和微小負載。
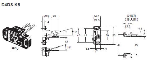
多種金屬頭部可選。僅17mm厚的纖細型設計(三接點型)。
可反轉設計,正面或背面均可安裝使用。
歐姆龍還供應反鎖鑰匙型開關(機械鎖定型)。






詢價














